1
/
of
7
My Store
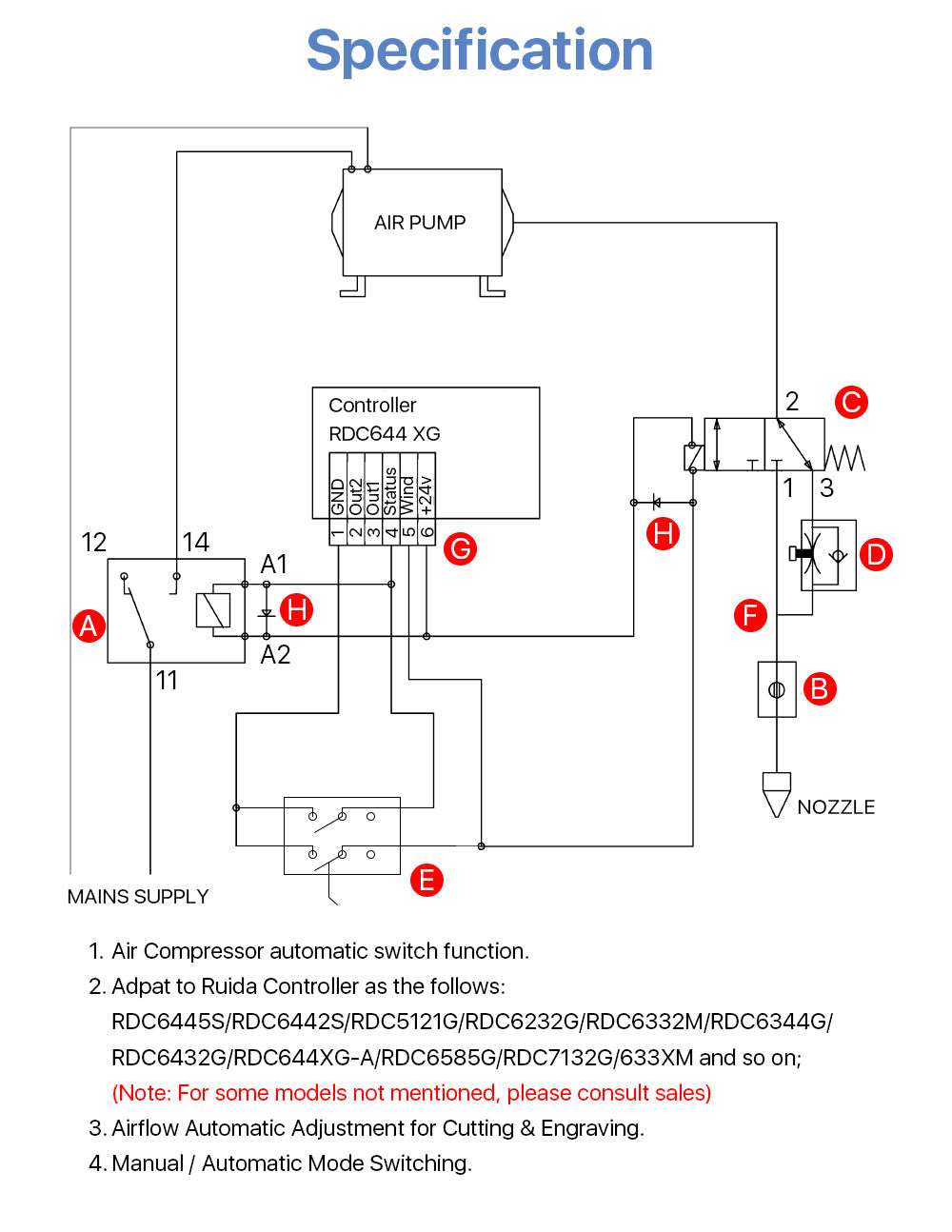
Air Assist - Ultimate Air Assist Kit
Air Assist - Ultimate Air Assist Kit
Regular price
$100.00 AUD
Regular price
Sale price
$100.00 AUD
Unit price
/
per
Tax included.
Shipping calculated at checkout.
Couldn't load pickup availability
Co2 Laser - Ultimate Air Assist Kit
(Shipping within Australia Only)
As seen on our YouTube Channel youtube.com/mwlaser
Share






